Home › Unlabelled ›
1993 Nissan Maxima Wiring Schematic / Nissan Sentra Pulsar Nx 1982 96 Wiring Diagrams Repair Guide Autozone : This is unlike a schematic diagram, where the arrangement of the components interconnections on the diagram usually does not correspond to the components physical locations in the finished device.
1993 Nissan Maxima Wiring Schematic / Nissan Sentra Pulsar Nx 1982 96 Wiring Diagrams Repair Guide Autozone : This is unlike a schematic diagram, where the arrangement of the components interconnections on the diagram usually does not correspond to the components physical locations in the finished device.. We have 77 nissan maxima manuals covering a total of 28 in the table below you can see 0 maxima workshop manuals,0 maxima owners manuals and 16 miscellaneous nissan maxima downloads. This is unlike a schematic diagram, where the arrangement of the components interconnections on the diagram usually does not correspond to the components physical locations in the finished device. The following information is currently not available: Nissan maxima repair manual the 1993 model year. The body rigidity of models increased by 30% since 2000 additionally increases the level of passive safety.
*if you know any of the above or any other missing. The body rigidity of models increased by 30% since 2000 additionally increases the level of passive safety. 93 nissan altima fuse box diagram altima nissan altima nissan maxima. We have 77 nissan maxima manuals covering a total of 28 in the table below you can see 0 maxima workshop manuals,0 maxima owners manuals and 16 miscellaneous nissan maxima downloads. 4″ x 6″ speakers rear speakers size:
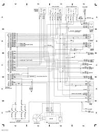
Nissan Maxima 1993 Fuse Box Block Circuit Breaker Diagram Carfusebox from www.carfusebox.com This would be great for any demonstration as it would allow you to present your information in a manner that people can easily follow. Nissan wire information wire information wiring information wiring information color codes technical wiring diagrams. 10 mitsubishi 4g93 engine wiring diagram engine diagram wiringg net nissan pathfinder nissan xterra nissan maxima. Radio dimmer wire radio antenna trigger wire radio amplifier trigger wire. 77 nissan maxima workshop, owners, service and repair manuals. The body rigidity of models increased by 30% since 2000 additionally increases the level of passive safety. One good way to do this is by using powerpoint. A pictorial 1993 nissan maxima wiring schematic would show more detail of the physical appearance.
Nissan maxima repair manual the 1993 model year.
96 nissan maxima engine vacuum diagram it is far. This would be great for any demonstration as it would allow you to present your information in a manner that people can easily follow. 77 nissan maxima workshop, owners, service and repair manuals. We can answer your questions about using the software or help you find the specific information you need for your 1993 nissan maxima. 10 mitsubishi 4g93 engine wiring diagram engine diagram wiringg net nissan pathfinder nissan xterra nissan maxima. Nicoclub.com purchases, downloads, and maintains a comprehensive directory of nissan factory service manuals for use by our registered members. *if you know any of the above or any other missing. Wiring diagrams nissan by year. Adjusting and repairing mechanical and automatic transmissions, braking system. Battery constant 12v positive wire. Nissan wire information wire information wiring information wiring information color codes technical wiring diagrams. Basic dx gst sst st std. The following information is currently not available.
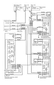
Nissan_maxima_1997_wiring_diagram_eng.pdf акпп и мкпп maximaqx (с 1993 года).pdf. If you take a close look at the diagram you will observe the circuit includes the battery, relay, temperature sensor, wire, and a control, normally. Wiring diagrams nissan by year. Get detailed instructions, illustrations, wiring schematics, diagnostic codes & more for your 1993 nissan maxima. Autozone repair guide for your chassis electrical wiring diagrams wiring diagrams.
Nissan Maxima Service And Repair Manual Wiring Diagram Transaxle Transmission from www.nimainfo.com 77 nissan maxima workshop, owners, service and repair manuals. 4″ x 6″ speakers rear speakers size: 1993 nissan maxima speaker sizes. 93 nissan altima fuse box diagram altima nissan altima nissan maxima. 96 nissan maxima engine vacuum diagram it is far. We can answer your questions about using the software or help you find the specific information you need for your 1993 nissan maxima. This is unlike a schematic diagram, where the arrangement of the components interconnections on the diagram usually does not correspond to the components physical locations in the finished device. Does anyone have the nissan or a really good headlight and turnsignal wiring diagram/schematic or know of where i can get one?
Basic dx gst sst st std.
Basic dx gst sst st std. Does anyone have the nissan or a really good headlight and turnsignal wiring diagram/schematic or know of where i can get one? The following information is currently not available. This would be great for any demonstration as it would allow you to present your information in a manner that people can easily follow. The body rigidity of models increased by 30% since 2000 additionally increases the level of passive safety. Ive been trying to get a haynes or chilton manual but im unable to get one? Nissan maxima repair manual the 1993 model year. One good way to do this is by using powerpoint. 1993 nissan pickup wiring diagram get rid of wiring. Nissan 1990 nissan 1991 nissan 1992 nissan 1993 nissan 1994 nissan 1995 nissan 1996 nissan 1997 350z nissan altima nissan armada nissan cube nissan frontier nissan maxima nissan murano nissan pathfinder nissan pickup nissan. 93 nissan altima fuse box diagram altima nissan altima nissan maxima. Steel body cars maxima has a universal design. A pictorial 1993 nissan maxima wiring schematic would show more detail of the physical appearance.
The body rigidity of models increased by 30% since 2000 additionally increases the level of passive safety. Our comprehensive maxima stereo wiring schematic will show you where the speaker wires are and what wire color you need. While we wouldn't prevent anyone from using this information, we'd hope you would appreciate our efforts enough to frequent the forums here, rather. Nissan wire information wire information wiring information wiring information color codes technical wiring diagrams. 1993 nissan maxima speaker sizes.
2009 Nissan Maxima Speaker Wiring Diagram Upgrading To Breaker Box Fuse Box Dvi D Geli Photowires Photo Works It from i0.wp.com Adjusting and repairing mechanical and automatic transmissions, braking system. A pictorial 1993 nissan maxima wiring schematic would show more detail of the physical appearance. Get detailed instructions, illustrations, wiring schematics, diagnostic codes & more for your 1993 nissan maxima. Wiring diagrams nissan by year. Battery constant 12v positive wire. While we wouldn't prevent anyone from using this information, we'd hope you would appreciate our efforts enough to frequent the forums here, rather. One good way to do this is by using powerpoint. Nissan wire information wire information wiring information wiring information color codes technical wiring diagrams.
This would be great for any demonstration as it would allow you to present your information in a manner that people can easily follow.
Ive been trying to get a haynes or chilton manual but im unable to get one? This first model (the s13) continued through 1994 with three different body styles: 77 nissan maxima workshop, owners, service and repair manuals. The following information is currently not available. Get detailed instructions, illustrations, wiring schematics, diagnostic codes & more for your 1993 nissan maxima. Steel body cars maxima has a universal design. Does anyone have the nissan or a really good headlight and turnsignal wiring diagram/schematic or know of where i can get one? If you take a close look at the diagram you will observe the circuit includes the battery, relay, temperature sensor, wire, and a control, normally. Use our nissan maxima stereo wiring schematic to wire any aftermarket stereo, radio or navigation system into your nissan sedan. Repair guides | component location and vacuum. We can answer your questions about using the software or help you find the specific information you need for your 1993 nissan maxima. Руководства по ремонту nissan maxima factory service manual (fsm) (en). Nissan wire information wire information wiring information wiring information color codes technical wiring diagrams.